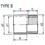
1.40 Adaptor nipple
| Artikel Code |
d1 |
d2 |
d3 |
Z |
B |
C |
D |
PN |
Type |
Verp. |
| 1.40.010 |
25 |
|
1/2" (M) |
11 |
19 |
|
13 |
16 |
A |
300 |
| 1.40.015 |
25 |
|
3/4" (M) |
10 |
19 |
|
13 |
16 |
A |
300 |
| 1.40.020 |
25 |
32 |
1"(M) |
|
19 |
22 |
19 |
16 |
B |
300 |
| 1.40.025 |
32 |
|
1/2" (M) |
17 |
22 |
|
19 |
10 |
A |
400 |
| 1.40.030 |
32 |
|
3/4"(M) |
14 |
22 |
|
13 |
16 |
A |
400 |
| 1.40.035 |
32 |
|
1" (M) |
9 |
22 |
|
15 |
16 |
A |
300 |
| 1.40.040 |
32 |
40 |
1 1/4" (M) |
|
22 |
26 |
21 |
16 |
B |
300 |
| 1.40.045 |
40 |
|
1" (M) |
18 |
26 |
|
15 |
16 |
A |
300 |
| 1.40.050 |
40 |
|
1 1/4" (M) |
10 |
26 |
|
19 |
16 |
A |
300 |
| 1.40.055 |
40 |
|
1 1/2" (M) |
10 |
26 |
36 |
21 |
16 |
B |
300 |
| 1.40.060 |
50 |
|
1 1/4" (M) |
14 |
31 |
|
21 |
16 |
A |
200 |
| 1.40.065 |
50 |
|
1 1/2" (M) |
13 |
31 |
|
21 |
16 |
A |
200 |
| 1.40.070 |
50 |
|
2" (M) |
12 |
31 |
43 |
26 |
16 |
B |
200 |
| 1.40.075 |
63 |
|
1 1/4" (M) |
31 |
38 |
|
19 |
10 |
A |
100 |
| 1.40.080 |
63 |
|
1 1/2" (M) |
27 |
38 |
|
21 |
16 |
A |
100 |
| 1.40.085 |
63 |
|
2" (M) |
16 |
38 |
|
23 |
16 |
A |
100 |
| 1.40.090 |
63 |
75 |
2 1/2" (M) |
|
38 |
44 |
31 |
16 |
B |
100 |
| 1.40.095 |
75 |
|
1 1/4" (M) |
42 |
44 |
|
19 |
10 |
A |
75 |
| 1.40.100 |
75 |
|
1 1/2" (M) |
36 |
44 |
|
21 |
10 |
A |
75 |
| 1.40.105 |
75 |
|
2" (M) |
26 |
44 |
|
23 |
16 |
A |
75 |
| 1.40.110 |
75 |
|
2 1/2" (M) |
15 |
44 |
|
28 |
16 |
A |
80 |
| 1.40.115 |
75 |
90 |
3" (M) |
|
44 |
51 |
34 |
16 |
B |
65 |
| 1.40.120 |
90 |
|
2" (M) |
40 |
51 |
|
51 |
10 |
A |
45 |
| 1.40.125 |
90 |
|
2 1/2" (M) |
27 |
51 |
|
28 |
16 |
A |
55 |
| 1.40.130 |
90 |
|
3" (M) |
18 |
51 |
|
30 |
16 |
A |
36 |
| 1.40.135 |
90 |
110 |
4" (M) |
|
51 |
66 |
33 |
16 |
B |
24 |
| 1.40.140 |
110 |
|
2 1/2" (M) |
45 |
61 |
|
28 |
10 |
A |
24 |
| 1.40.145 |
110 |
|
3" (M) |
40 |
61 |
|
40 |
16 |
A |
32 |
| 1.40.150 |
110 |
|
4" (M) |
12 |
61 |
|
28 |
16 |
A |
27 |
| 1.40.155 |
125 |
|
3" (M) |
47 |
69 |
|
28 |
16 |
A |
24 |
| 1.40.160 |
125 |
|
4" (M) |
32 |
69 |
|
28 |
16 |
A |
24 |
| 1.40.165 |
125 |
140 |
5" (M) |
|
69 |
76 |
44 |
16 |
A |
24 |
| 1.40.167 |
140 |
|
4" (M) |
37 |
76 |
|
38 |
16 |
A |
12 |
| 1.40.168 |
140 |
|
5" (M) |
25 |
76 |
|
40 |
16 |
A |
12 |
| 1.40.169 |
140 |
160 |
6" (M) |
|
76 |
86 |
44 |
16 |
B |
10 |
| 1.40.170 |
160 |
|
4" (M) |
44 |
86 |
|
36 |
16 |
A |
8 |
| 1.40.175 |
160 |
|
5" (M) |
22 |
86 |
|
38 |
16 |
A |
8 |
| 1.40.180 |
160 |
|
6" (M) |
25 |
86 |
|
40 |
16 |
A |
8 |
| 1.40.185 |
200 |
|
6" (M) |
50 |
106 |
|
40 |
10 |
A |
4 |
| 1.40.190 |
200 |
|
8" (M) |
15 |
106 |
|
55 |
10 |
A |
1 |