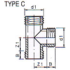
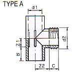
2.05 Tee 90°
| Artikel Code |
d1 |
d2 |
Z1 |
Z2 |
B |
C |
PN |
Type |
Verp. |
| 2.05.015 |
20 |
3/4" (M) |
11 |
17 |
16 |
17 |
16 |
A |
250 |
| 2.05.020 |
25 |
3/4" (M) |
14 |
20 |
19 |
17 |
16 |
A |
300 |
| 2.05.025 |
25 |
1" (M) |
14 |
20 |
19 |
19 |
16 |
A |
250 |
| 2.05.030 |
32 |
3/4" (M) |
17 |
23 |
22 |
17 |
16 |
A |
200 |
| 2.05.035 |
32 |
1" (M) |
17 |
23 |
22 |
19 |
16 |
A |
200 |
| 2.05.046 |
32 |
1 1/4" (M) |
17 |
23 |
22 |
19 |
10 |
A |
225 |
| 2.05.060 |
40 |
1" (M) |
23 |
27 |
26 |
19 |
16 |
A |
125 |
| 2.05.066 |
40 |
1 1/4" (M) |
23 |
27 |
26 |
21 |
10 |
A |
140 |
| 2.05.071 |
40 |
1 1/2" (M) |
23 |
27 |
26 |
21 |
10 |
A |
130 |
| 2.05.075 |
50 |
1" (M) |
28 |
33 |
31 |
19 |
16 |
A |
90 |
| 2.05.081 |
50 |
1 1/4" (M) |
28 |
33 |
31 |
21 |
10 |
A |
90 |
| 2.05.086 |
50 |
1 1/2" (M) |
28 |
33 |
31 |
21 |
10 |
A |
90 |
| 2.05.090* |
63 |
1" (M) |
34 |
42 |
38 |
19 |
16 |
A |
50 |
| 2.05.095* |
63 |
1 1/4"(M) |
34 |
42 |
38 |
21 |
16 |
A |
45 |
| 2.05.100* |
63 |
1 1/2" (M) |
34 |
42 |
38 |
21 |
16 |
A |
40 |
| 2.05.105* |
63 |
2" (M) |
34 |
42 |
38 |
26 |
16 |
A |
40 |
| 2.05.110* |
75 |
1 1/4" (M) |
40 |
50 |
44 |
21 |
16 |
A |
30 |
| 2.05.115* |
75 |
1 1/2" (M) |
40 |
50 |
44 |
21 |
16 |
A |
30 |
| 2.05.120* |
75 |
2" (M) |
40 |
50 |
44 |
26 |
16 |
A |
28 |
| 2.05.041 |
1" (M) |
32 |
31 |
20 |
19 |
22 |
10 |
B |
250 |
| 2.05.051 |
1 1/4" (M) |
32 |
26 |
17 |
21 |
22 |
10 |
B |
175 |
| 2.05.067 |
1 1/4" (M) |
40 |
27 |
23 |
21 |
26 |
10 |
B |
150 |
| 2.05.056 |
1 1/4" (M) |
- |
26 |
- |
21 |
- |
10 |
C |
175 |