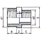
| Artikel Code | d1 | d2 | Z | B | C | S | PN | Verp. |
| 3.35.040 | 3/8" (M) | 1/4" (M) | 8 | 15 | 13 | 24 | 16 | 100 |
| 3.35.050 | 1/2" (M) | 3/8" (M) | 8 | 17 | 15 | 27 | 16 | 100 |
| 3.35.060 | 3/4" (M) | 1/2" (M) | 8 | 19 | 17 | 32 | 16 | 100 |
| 3.35.070 | 1" (M) | 3/4" (M) | 9 | 21 | 19 | 36 | 16 | 100 |
| 3.35.080 | 1 1/4" (M) | 1" (M) | 9 | 23 | 21 | 46 | 16 | 100 |
| 3.35.090 | 1 1/2" (M) | 1 1/4" (M) | 11 | 23 | 23 | 55 | 16 | 100 |
| 3.35.100 | 2" (M) | 1 1/2" (M) | 12 | 27 | 23 | 65 | 16 | 100 |