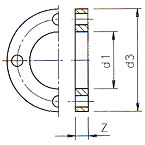
3.72 Backing flange
| Artikel Code |
Dia. |
DN |
d1 |
d2 |
d3 |
Z |
NxD |
Norm |
Type |
Qty. |
| 3.72.016 |
16 |
10 |
23 |
60 |
90 |
10 |
4x14 |
• |
A |
50 |
| 3.72.020 |
20 |
15 |
28 |
60.5/63 |
95 |
11 |
4x16 |
•• |
B |
50 |
| 3.72.025 |
25 |
20 |
34 |
70/73 |
105 |
12 |
4x16 |
•• |
B |
50 |
| 3.72.032 |
32 |
25 |
42 |
79/83 |
115 |
14 |
4x16 |
•• |
B |
50 |
| 3.72.040 |
40 |
32 |
51 |
91/100 |
140 |
15 |
4x18 |
•• |
B |
30 |
| 3.72.050 |
50 |
40 |
62 |
101/110 |
150 |
16 |
4x18 |
•• |
B |
75 |
| 3.72.063 |
63 |
50 |
78 |
120.5/124 |
165 |
18 |
4x18 |
•• |
B |
50 |
| 3.72.075 |
75 |
65 |
92 |
145 |
185 |
19 |
4x18 |
• |
A |
30 |
| 3.72.090 |
90 |
80 |
110 |
160 |
200 |
20 |
8x18 |
• |
A |
25 |
| 3.72.110 |
110 |
100 |
133 |
180 |
220 |
22 |
8x18 |
• |
A |
15 |
| 3.72.125 |
125 |
110 |
150 |
190 |
235 |
26 |
8x18 |
|
A |
15 |
| 3.72.140 |
140 |
125 |
167 |
210 |
250 |
26 |
8x18 |
• |
A |
15 |
| 3.72.160 |
160 |
150 |
190 |
240 |
285 |
28 |
8x22 |
• |
A |
10 |
| 3.72.200 |
200 |
175 |
235 |
270 |
315 |
36 |
8x22 |
••• |
A |
5 |
| 3.72.225 |
225 |
200 |
251 |
295 |
340 |
36 |
8x22 |
• |
A |
5 |
| 3.72.250 |
250 |
225 |
277 |
325 |
370 |
36 |
8x22 |
••• |
A |
5 |
| 3.72.280 |
280 |
250 |
309 |
350 |
395 |
36 |
12x22 |
• |
A |
1 |
| 3.72.315 |
315 |
300 |
345 |
400 |
445 |
36 |
12x22 |
• |
A |
1 |
| 3.72.355 |
355 |
350 |
388 |
460 |
505 |
38 |
16x22 |
• |
A |
1 |
| 3.72.400 |
400 |
400 |
442 |
515 |
565 |
42 |
16x26 |
• |
A |
1 |
* ISO / DIN 2501 PN10
** ISO / DIN 2501 PN10 / ANSI B16.5
*** ISO 2536 PN10