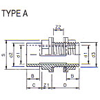
5.16 Table duct
| Artikel Code |
d1 |
d2 |
d3 |
Z1 |
Z2 |
B |
C |
D |
S |
Type |
Verp. |
| 5.16.020 |
20 |
25 |
"3/4"" (M)" |
13 |
0-23 |
16 |
19 |
42 |
32 |
A |
50 |
| 5.16.025 |
25 |
32 |
"1"" (M)" |
15 |
0-23 |
19 |
22 |
45 |
40 |
A |
50 |
| 5.16.034 |
32 |
40 |
"11/4"" (M)" |
17 |
0-26 |
22 |
26 |
49 |
50 |
A |
50 |
| 5.16.041 |
40 |
50 |
"1 3/4"" (M)" |
19 |
0-21 |
26 |
31 |
48 |
60 |
A |
50 |
| 5.16.048 |
50 |
63 |
"2"" (M)" |
21 |
0-21 |
31 |
38 |
52 |
69 |
A |
45 |
| 5.16.050 |
50 |
63 |
"2 1/4"" (M)" |
21 |
0-21 |
31 |
38 |
52 |
76 |
A |
45 |
| 5.16.065 |
63 |
75 |
"2 1/2"" (M)" |
23 |
0-23 |
38 |
44 |
53 |
85 |
A |
24 |
| 5.16.075 |
75 |
90 |
"3"" (M)" |
26 |
0-20 |
44 |
51 |
56 |
100 |
A |
21 |
| 5.16.090 |
90 |
110 |
M113 (M) |
32 |
0-20 |
51 |
61 |
62 |
125 |
A |
10 |
| 5.16.110 |
110 |
125 |
M133 (M) |
36 |
0-22 |
61 |
69 |
66 |
147 |
A |
10 |
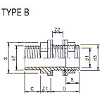
| 5.16.021 |
20 |
"3/4"" (M)" |
"3/4"" (M)" |
13 |
0-23 |
16 |
17 |
42 |
32 |
B |
50 |
| 5.16.026 |
25 |
"1"" (M)" |
"1"" (M)" |
15 |
0-23 |
19 |
21 |
45 |
40 |
B |
50 |
| 5.16.035 |
32 |
"1 1/4""(M)" |
"1 1/4"" (M)" |
17 |
0-26 |
22 |
23 |
49 |
50 |
B |
50 |
| 5.16.042 |
40 |
"1 1/2""(M)" |
"1 3/4"" (M)" |
19 |
0-21 |
26 |
23 |
48 |
60 |
B |
50 |
| 5.16.049 |
50 |
"2"" (M)" |
"2"" (M)" |
21 |
0-21 |
31 |
27 |
52 |
69 |
B |
45 |
| 5.16.051 |
50 |
"2"" (M)" |
"2 1/4"" (M)" |
21 |
0-21 |
31 |
27 |
52 |
76 |
B |
45 |
| 5.16.066 |
63 |
"2 1/2""(M)" |
"2 1/2"" (M)" |
23 |
0-23 |
38 |
31 |
53 |
85 |
B |
24 |
| 5.16.076 |
75 |
"3"" (M)" |
"3"" (M)" |
26 |
0-20 |
44 |
34 |
56 |
100 |
B |
21 |
| 5.16.091 |
90 |
"4"" (M)" |
M113 (M) |
32 |
0-20 |
51 |
40 |
62 |
125 |
B |
10 |