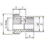
8.24 Adaptor nipple
| Artikel Code | d1 | d2 | Z | B | D | S | O-Ring | Verp. | | 8.24.012 | "5/8"" (M)" | "1/4"" (M)" | 14 | 12 | 10 | 23 | 12.37x2.62 | 50 |
| 8.24.016 | "3/4"" (M)" | "3/8"" (M)" | 15 | 12 | 11 | 25 | 15.55x2.62 | 50 |
| 8.24.020 | "1"" (M)" | "1/2"" (M)" | 17 | 16 | 12 | 28 | 20.22x3.53 | 50 |
| 8.24.025 | "1 1/4"" (M)" | "3/4"" (M)" | 18 | 17 | 12 | 32 | 28.17x3.53 | 50 |
| 8.24.032 | "1 1/2"" (M)" | "1"" (M)" | 18 | 21 | 14 | 38 | 32.92x3.53 | 50 |
| 8.24.040 | "2"" (M)" | "1 1/4"" (M)" | 19 | 24 | 16 | 46 | 40.64x5.33 | 25 |
| 8.24.050 | "2 1/4"" (M)" | "1 1/2"" (M)" | 19 | 24 | 18 | 55 | 46.99x5.33 | 25 |
| 8.24.063 | "2 3/4"" (M)" | "2"" (M)" | 20 | 28 | 20 | 65 | 59.69x5.33 | 25 |
| 8.24.075 | ZGTD | "2 1/2"" (M)" | 21 | 34 | 30 | 94 | 78.74x5.33 | 10 |
| 8.24.090 | ZGTD | "3"" (M)" | 25 | 37 | 35 | 114 | 97.79x5.33 | 5 |
| 8.24.110 | ZGTD | "4"" (M)" | 28 | 43 | 40 | 138 | 117.5x5.33 | 5 |