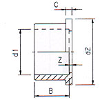
| Artikel Code | d1 | d2 | Z | B | C | Verp. |
| 8.25.010 | 10 | "5/8""" | 3 | 12 | 4 | 50 |
| 8.25.012 | 12 | "5/8""" | 3 | 12 | 4 | 50 |
| 8.25.016 | 16 | "3/4""" | 4 | 14 | 5 | 50 |
| 8.25.020 | 20 | "1""" | 4 | 16 | 5 | 50 |
| 8.25.025 | 25 | "1 1/4""" | 4 | 19 | 6 | 50 |
| 8.25.032 | 32 | "1 1/2""" | 4 | 22 | 6 | 50 |
| 8.25.040 | 40 | "2""" | 4 | 26 | 7 | 25 |
| 8.25.050 | 50 | "2 1/4""" | 4 | 31 | 7 | 25 |
| 8.25.063 | 63 | "2 3/4""" | 4 | 39 | 8 | 25 |
| 8.25.075 | 75 | ZGTD | 5 | 44 | 9 | 10 |
| 8.25.090 | 90 | ZGTD | 7 | 51 | 10 | 5 |
| 8.25.110 | 110 | ZGTD | 9 | 61 | 12 | 5 |