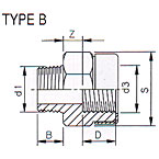
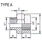
3.28 Муфта переходная
| Artikel Code |
d1 |
d3 |
Z |
Z1 |
Z2 |
B |
D |
S |
PN |
Type |
Verp. |
| 3.28.010 |
"3/8"" (M)" |
"1/4"" (F)" |
7 |
7 |
12 |
12 |
12 |
24 |
16 |
A |
100 |
| 3.28.015 |
"1/4"" (M)" |
"3/8"" (F)" |
8.5 |
8.5 |
12 |
12 |
12 |
27 |
10 |
A |
100 |
| 3.28.016 |
"1/4"" (M)" |
"3/8"" (F)" |
8.5 |
8.5 |
12 |
12 |
12 |
27 |
16 |
B |
50 |
| 3.28.017 |
"1/2"" (M)" |
"3/8"" (F)" |
8.5 |
8.5 |
16 |
12 |
12 |
27 |
10 |
A |
100 |
| 3.28.018 |
"1/2"" (M)" |
"3/8"" (F)" |
8.5 |
8.5 |
16 |
16 |
12 |
27 |
16 |
B |
50 |
| 3.28.020 |
"3/8"" (M)" |
"1/2"" (F)" |
8 |
8 |
12 |
12 |
15 |
32 |
10 |
A |
100 |
| 3.28.021 |
"3/8"" (M)" |
"1/2"" (F)" |
8 |
8 |
12 |
12 |
15 |
32 |
16 |
B |
50 |
| 3.28.021.1 |
"1/2"" (M)" |
"1/2"" (F)" |
8 |
8 |
16 |
16 |
12 |
32 |
10 |
A |
50 |
| 3.28.021.2 |
"1/2"" (M)" |
"1/2"" (F)" |
8 |
8 |
16 |
16 |
15 |
32 |
16 |
B |
50 |
| 3.28.022 |
"3/4"" (M)" |
"1/2"" (F)" |
8 |
8 |
17 |
17 |
15 |
32 |
10 |
A |
100 |
| 3.28.023 |
"3/4"" (M)" |
"1/2"" (F)" |
8 |
8 |
17 |
17 |
15 |
32 |
16 |
B |
50 |
| 3.28.025 |
"1/2"" (M)" |
"3/4"" (F)" |
10.5 |
10.5 |
16 |
16 |
16 |
36 |
10 |
A |
100 |
| 3.28.026 |
"1/2"" (M)" |
"3/4"" (F)" |
10.5 |
10.5 |
16 |
16 |
16 |
36 |
16 |
B |
50 |
| 3.28.026.1 |
"3/4"" (M)" |
"3/4"" (F)" |
10.5 |
10.5 |
17 |
17 |
16 |
36 |
10 |
A |
50 |
| 3.28.026.2 |
"3/4"" (M)" |
"3/4"" (F)" |
10.5 |
10.5 |
17 |
17 |
16 |
36 |
16 |
B |
50 |
| 3.28.027 |
"1"" (M)" |
"3/4"" (F)" |
10.5 |
10.5 |
21 |
21 |
16 |
36 |
10 |
A |
100 |
| 3.28.028 |
"1"" (M)" |
"3/4"" (F)" |
10.5 |
10.5 |
21 |
21 |
16 |
36 |
16 |
B |
50 |
| 3.28.032 |
"3/4"" (M)" |
"1"" (F)" |
12 |
12 |
17 |
17 |
22 |
46 |
10 |
A |
100 |
| 3.28.033 |
"3/4"" (M)" |
"1"" (F)" |
12 |
12 |
17 |
17 |
22 |
46 |
16 |
B |
50 |
| 3.28.034 |
"1"" (M)" |
"1"" (F)" |
12 |
12 |
21 |
21 |
22 |
46 |
10 |
A |
90 |
| 3.28.035 |
"1"" (M)" |
"1"" (F)" |
12 |
12 |
21 |
21 |
22 |
46 |
16 |
B |
75 |
| 3.28.036 |
"1 1/4"" (M)" |
"1"" (F)" |
12 |
12 |
23 |
23 |
22 |
46 |
10 |
A |
150 |
| 3.28.037 |
"1 1/4"" (M)" |
"1"" (F)" |
12 |
12 |
23 |
23 |
22 |
46 |
16 |
B |
75 |
| 3.28.040 |
"1"" (M)" |
"1 1/4"" (F)" |
14 |
14 |
21 |
21 |
23 |
55 |
10 |
A |
150 |
| 3.28.041 |
"1"" (M)" |
"1 1/4"" (F)" |
14 |
14 |
21 |
21 |
23 |
55 |
16 |
B |
50 |
| 3.28.042 |
"1 1/4"" (M)" |
"1 1/4"" (F)" |
14 |
14 |
23 |
23 |
23 |
55 |
10 |
A |
150 |
| 3.28.043 |
"1 1/4"" (M)" |
"1 1/4"" (F)" |
14 |
14 |
23 |
23 |
23 |
55 |
16 |
B |
50 |
| 3.28.044 |
"1 1/2"" (M)" |
"1 1/4"" (F)" |
14 |
14 |
23 |
23 |
23 |
55 |
10 |
A |
150 |
| 3.28.045 |
"1 1/2"" (M)" |
"1 1/4"" (F)" |
14 |
14 |
23 |
23 |
23 |
55 |
16 |
B |
100 |
| 3.28.050 |
"1 1/4"" (M)" |
"1 1/2"" (F)" |
16 |
16 |
23 |
23 |
25 |
66 |
10 |
A |
100 |
| 3.28.051 |
"1 1/4"" (M)" |
"1 1/2"" (F)" |
16 |
16 |
23 |
23 |
25 |
66 |
16 |
B |
75 |
| 3.28.052 |
"1 1/2"" (M)" |
"1 1/2"" (F)" |
16 |
16 |
23 |
23 |
25 |
66 |
10 |
A |
100 |
| 3.28.053 |
"1 1/2"" (M)" |
"1 1/2"" (F)" |
16 |
16 |
23 |
23 |
25 |
66 |
16 |
B |
75 |
| 3.28.063 |
"1 1/2"" (M)" |
"2"" (F)" |
21.5 |
21.5 |
23 |
23 |
28 |
80 |
10 |
A |
50 |
| 3.28.064 |
"1 1/2"" (M)" |
"2"" (M)" |
21.5 |
21.5 |
23 |
23 |
28 |
80 |
16 |
B |
50 |
| 3.28.065 |
"2"" (M)" |
"2"" (F)" |
21.5 |
21.5 |
27 |
27 |
28 |
80 |
10 |
A |
50 |
| 3.28.066 |
"2"" (M)" |
"2"" (F)" |
21.5 |
21.5 |
27 |
27 |
28 |
80 |
16 |
B |
40 |
| 3.28.076 |
"2"" (M)" |
"2 1/2"" (F)" |
23.5 |
23.5 |
27 |
27 |
31 |
94 |
10 |
B |
45 |
| 3.28.078 |
"2 1/2"" (M)" |
"2 1/2"" (F)" |
23.5 |
23.5 |
31 |
31 |
31 |
94 |
10 |
B |
45 |